
Artな作品でもなし。また,実用的なモノでもなし。ただただ自分の思うがままに作る…おバカなものの数々。
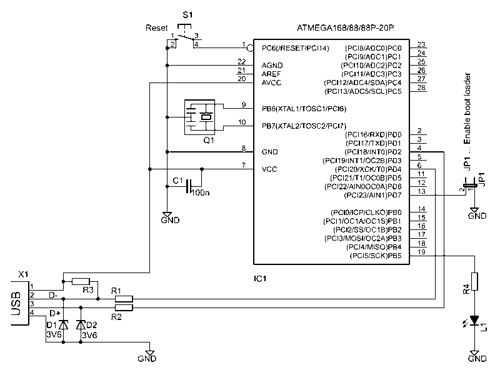
USBインターフェースを搭載しArduino IDE からスケッチを直接書き込める One-chip Arduino ver. 2.0を作成した。
小さなユニバーサル基板に回路を組むアイデアは「ジャンク宿」のtokoyaさんのthinduinoを模倣させていただいた。
しかし,USB-Serial コンバータチップなどは搭載していない,ソフトウェアでUSBインタフェースを実現しているのだ。
METALABのMETABOARDの回路からコネクタなどの部品を削除してArduinoとして動作させる最小限の部品構成とした。
ファームウェアはUSBaspLoaderを用いる。


ノーマルのUSB-Bソケットはデカすぎるので面実装のmini-Bを搭載したのも作ってある。しかし,小ぎれいまとまってO'Baka的には面白くない… と言うことで掲載は後日に
下のビデオはサンプルスケッチ Blink のDelayを変えてアップロード・実行している様子だ。
ブレッドボード上で動作試験を行なっているOne-chip Arduino ver. 2.0のプロトタイプだ。ここではmini-Bを使っている。
こいつは,所謂「ソフトUSB」を使っている。セラロックは精度が悪いので「セラロックを使った回路ではソフトUSBは困難」と言われているが,精度の良いセラロックを使えば大丈夫だ。こちらの「USB直結Arduino互換ボード」を参照いただきたい。
update 2009.05.20
upload 2009.05.19
