KiCad 5.0.0 stableがリリースされました。
KiCad 5.0.0 stableとEAGLEの連携は別記しました。
以下の情報は古くKiCad 5.0.0 stableには適合しない部分があります。
次期バージョンのKiCadがEAGLEのデータをそのまま読めると聞いたので次期バージョンのテスト版KiCad-nightlyを使ってEAGLEのデータのインポートをテストしてみました。
テストは macOS+VirtualBox+Win10で行いました。
- KiCad-nightlyのダウンロード
次のURLから最新のnightlyをダウンロードします。
http://downloads.kicad-pcb.org/windows/nightly/ - KiCad-nightlyのインストール
KiCadはデフォルト設定でインストールすると3.6GBのディスクスペースを消費します。フットプリントライブラリ+3Dモデルライブラリで3GB超のサイズがあります。今回はEAGLEデータをインポートしレイアウトエディタで編集するだけなので,これらのライブラリ等を外して本体のみインストールします。
【注意】既にKiCadがインストールしてあると上書きされます。 - EAGLEのボードファイル(.brd)のインポート
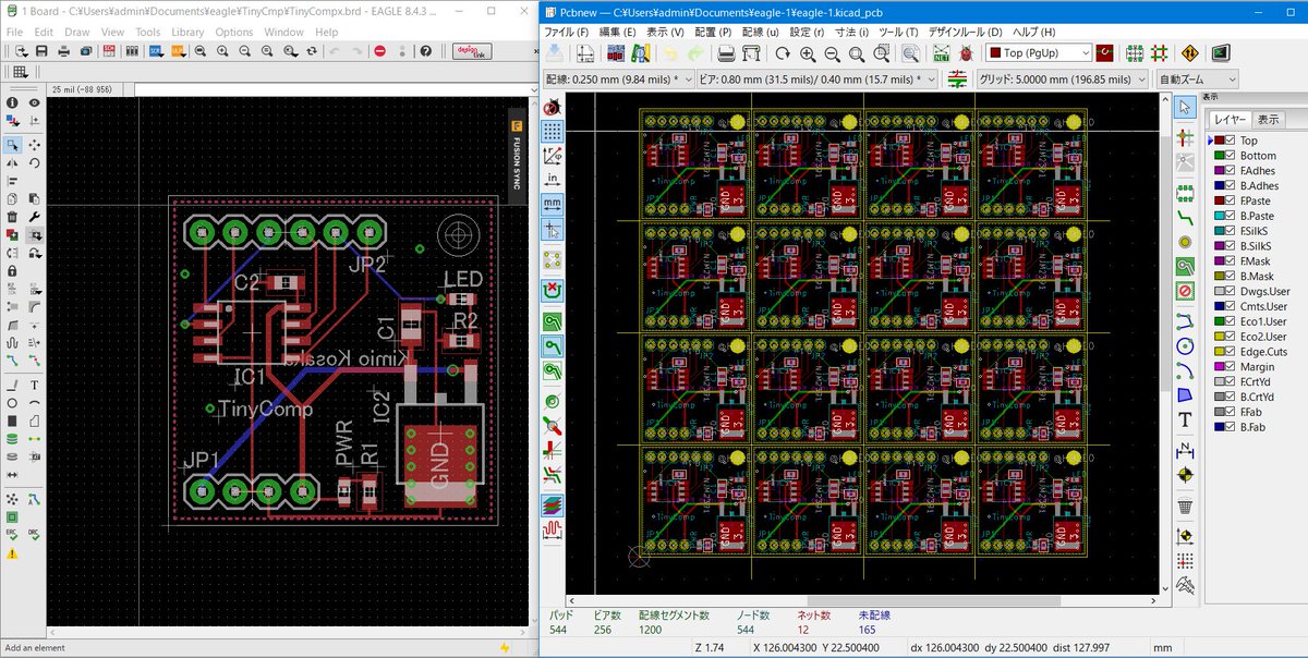
インポートしたデータは編集・加工できます。
PcbnewでEAGLE-Free版の80mm☓100mmのサイズ制限を超えた面付けしてみました。

ここでは,レイアウト(.brd)データのインポートについて記載しましたが,プロジェクト全体も簡単にインポートすることができます。
次期バージョン ver. 5.0系stable版のリリースが楽しみです。
最もわかりやすい(自画自賛)KiCad実習テキストをWebで無償頒布中




